分类

特 点 Features
● 体积小,性价比高。Small size, high cost performance.
● 金属壳体采用镀镍钢板和不锈钢大盖板组合式结构,美观大气,机械强度高,耐腐蚀性强。
The metal shell adopts the combined structure of nickel plated steel plate and stainless steel large cover plate, which is beautiful and atmospheric, with high mechanical strength and strong corrosion resistance.
应 用 Application
● 屏蔽房内的电话通信、网络数据通信、空调控制、消防报警、对讲门铃、音频、视频等信号的传输和报警控制系统。
Telephone communication, network data communication, air conditioning control, fire alarm, intercom doorbell, audio, video and other signal transmission and alarm control system in shielding room.
● 屏蔽机柜内USB、DB9、VGA、网络接口的数据通信。
Shield the data communication of USB, DB9, VGA and network interface in the cabinet.
产品型号表 Filter Table
型号 model | 电压 voltage | 额定电流A Rated curren | 线数 Number of lines | 通带 Passband | 外形尺寸Fig. Outline Drawing | 适用范围 application |
YX-XH2-MJ | 250VAC | 1.2 | 2 | 100KHz | 1 | 门禁信号Access control signal |
YX-XH-SP | 100VDC | 0.5 | 1 | 6MHz | 2 | 视频监控信号Video monitoring signal |
YX-XH2-DH | 250VDC | 0.5 | 2 | 20KHz | 3 | 电话、传真、交直流开关信号 Telephone, fax, AC / DC switch signal |
YX-XH2-XF | 250VAC | 1.2 | 2 | 100KHz | 3 | 消防报警Fire alarm |
YX-XH2-YP | 100VDC | 0.5 | 2 | 100KHz | 3 | 语音广播Voice broadcasting |
YX-XH2-KT | 250VAC | 3 | 2 | / | 3 | 空调控制Air conditioning control |
YX-XH4-KT | 250VAC | 3 | 4 | / | 3 | 空调控制Air conditioning control |
YX-Z8-F | 100VDC | 0.5 | 8 | 1000MHz | 3 | 速率100M或1000Mbit/s的网络数据通信B级屏效 |
YX-XH8-WX | 100VDC | 0.5 | 8 | 1000MHz | 4 | 速率100M或1000Mbit/s的网络数据通信C级屏效 |
YX-Z2-F | 250VAC | 3 | 2 | / | 5 | 门禁电源Access control power supply |
YX-VGA | 100VDC | 0.5 | 13 | 100MHz | 6 | VGA数据接口data interface |
YX-DB9 | 100VDC | 0.5 | 9 | 100MHz | 7 | DB9数据接口data interface |
YX-2×USB | 100VDC | 0.5 | 2 | 100MHz | 8 | USB数据接口data interface |
YX-2×RJ45 | 100VDC | 0.5 | 2 | 100MHz | 9 | 网络数据通信Network data communication |
YX-XH100-DH-10 | 100VDC | 0.5 | 100 | 20KHz | 10 | 50路集成电话Integrated telephone |
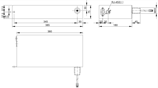
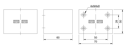
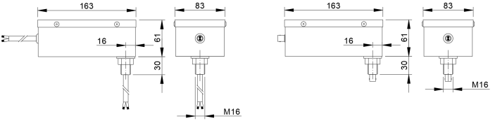
外形尺寸图 Outline Drawing : mm
Fig.1
Fig.2
Fig.3
Fig.5
Fig.4
Fig.6
Fig.7
Fig.8
Fig.9
Fig.10
注:更多接口类型、线数及参数请咨询公司工程部,进行定制。